 |
MELAB-X1 - vývojový kit pro MCU Microchip

|
MELAB-X1 je vývojový kit pro mikropočítače Microchip, který sestává ze třech částí:
1. vývojová deska s paticí pro mikropočítač, napájením, displejem a dalšími podpůrnými obvody
2. programátor
3. vývojový software pro MS Windows XP
Na desce lze programovat a spouštět programy napsané v assembleru, C/C++ a PICBasic/PICBasic-Pro. Programy
se do mikropočítače programují přes USB in-circuit programátor přímo z vývojového prostředí PC počítače.
Vývojová deska MELAB-X1 podporuje starší 40-pinové MCU firmy Microchip:
PIC16C64(A), 16C65(B), 16C662, 16C67, 16C74(AB), 16C765, 16C77, 16C774, 16F724, 16F727, 16F74, 16F747, 16F77,
16F777, 16F871, 16F874, 16F874A, 16F877, 16F877A, 16F884, 16F887, 16F914, 16F917, 18C442, 18C452, 18F4220,
18F4221, 18F4320, 18F4321, 18F4331, 18F4410, 18F442, 18F4420, 18F4423, 18F4431, 18F4439, 18F4450, 18F4455,
18F4458, 18F448, 18F4480, 18F4510, 18F4515, 18F452, 18F4520, 18F4523, 18F4525, 18F4539, 18F4550, 18F4553, 18F458,
18F4580, 18F4585, 18F4610, 18F4620, 18F4680, 18F4682, 18F4685

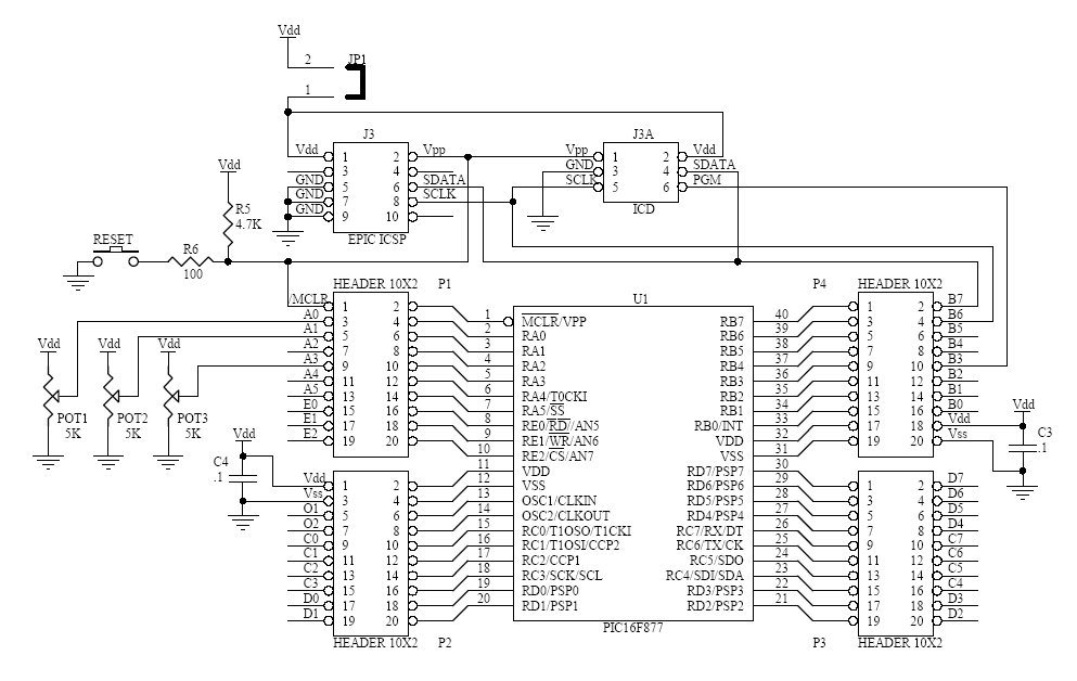
Obr.1 zapojení bloku mikropočítače
Mikropočítačová část obsahuje:
- 40-pin ZIF patice pro PICmicro MCU
- 3 potenciometry
- reset tlačítko
- In-circuit programming/debug konektor
Všechny piny procesoru jsou vyveden na dvojité header konektory, tzn. každý pin mikropočítače
je přístupný.

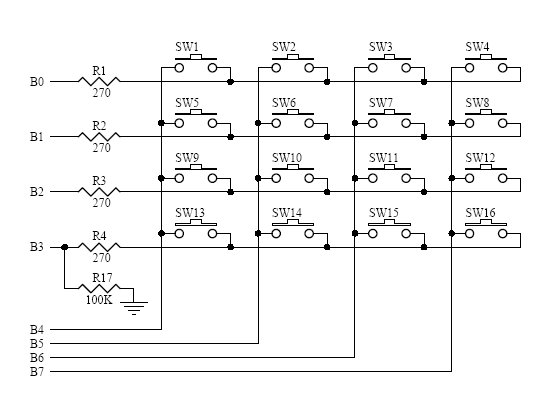
Obr.2 zapojení klávesnice
Klávesnice je tvořena 4x4 tlačítky připojenými na port B.

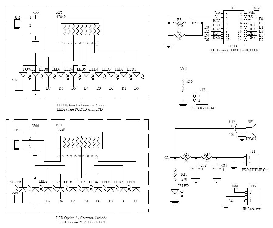
Obr.3 LCD displej a zvukový výstup
LCD displej je připojen na port D a bity E0, E1 a E2. Port D je současně použit ještě pro
sloupec 8 LED diod. Ty mohou být buďto se společnou anodou nebo katodou.
Na bit C2 je připojen zvukový výstup v podobě pípátka a IR LEDky. Bit A4 slouží pro vstup
z IR přijímače.

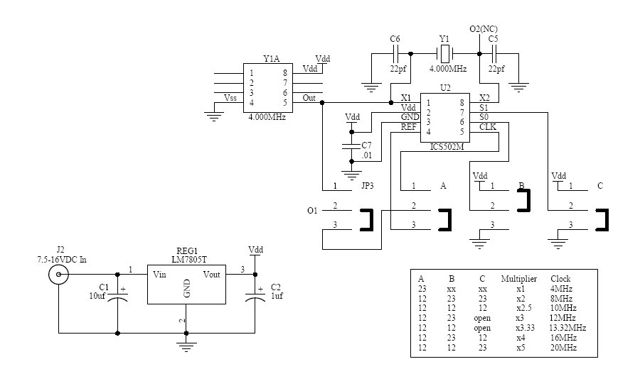
Obr.4 nastavitelný oscilátor od 4MHz do 20MHz, 5-volt regulátor
Je použit obvod ICS502M a krystal 4.000 MHz. Kombinací jumperů lze nastavit řadu dalších
vyšších frekvencí pro mikropočítač. Místo krystalu je možno použít také oscilátor 4.000 MHz.
Obvod 7805 slouží ke stabilizaci vstupního napětí na požadovaných 5V.

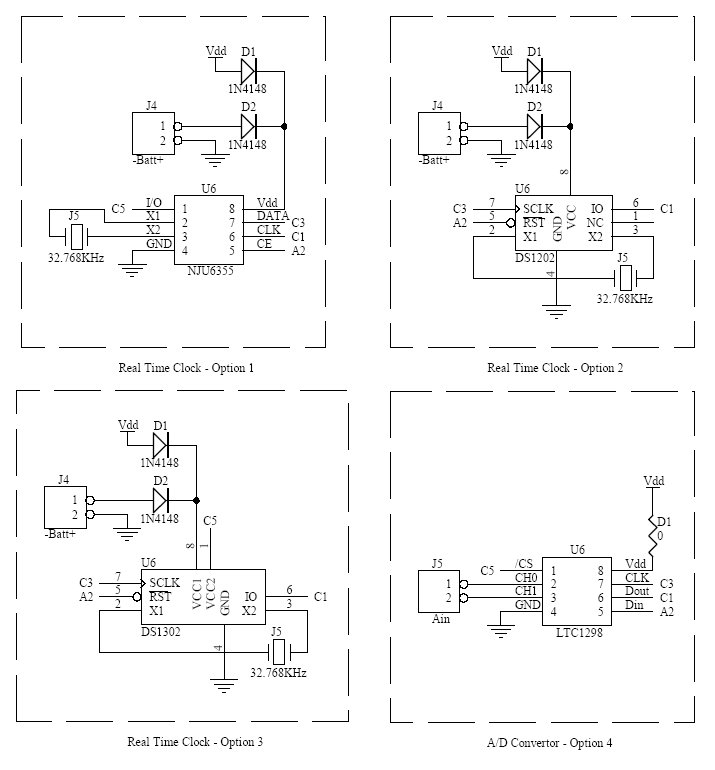
Obr.5 obvod reálného času (RTC) a AD převodník
Do patice DIP8 označené U6, je možné zasunout jeden ze tří typů obvodu RTC: buďto NJU6355 nebo
DS1202 nebo DS1302, k tomu je třeba instalovat krystal 32.768 kHz.
Alternativně je možné do patice U6 instalovat AD převodník LTC1298. V tomto případě se krystal
neosadí a volné piny slouží jako vstupy AD převodníku a diodu D1 je nutno nahradit zkratovávací
spojkou. Všechny obvody jsou připojeny k mikropočítači sériově.

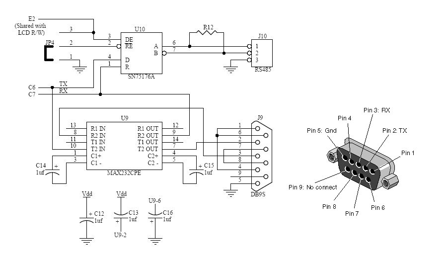
Obr.6 sériový port RS232C / RS485
Obvod MAX232CPE je osazen v patici DIL16 označené U9 a slouží pro sériový port RS232C.
Navíc je k dispozici patice DIP8 označená U10, do které lze zasunout obvod SN75176A a tím
je k dispozici sériový port RS485. Pro komunikaci s mikropočítačem jsou použity bity C6 (Tx)
a C7 (Rx). Bit E2 slouží pouze pro RS485 a je sdílen s R/W LCD displeje.

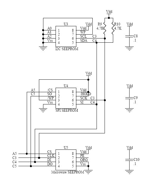
Obr.7 sériové EEPROM: I2C, SPI, Microwire
Do patic DIP8 označených U3, U4 a U5 je možno zasunout paměti EEPROM s rozhraním I2C
(patice U3), SPI (patice U4) nebo s rozhraním Microwire (patice U5).

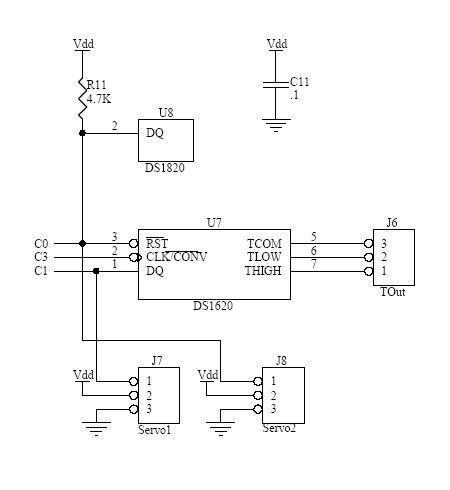
Obr.8 teplotní čidlo, RC servo konektory
Obvod DS1820 (pozice U8) slouží pro měření teploty a obvod DS1620 (v patici U7 - DIP8)
slouží k řízení servomechanismů.
Aplikace
K vývojovému kitu LAB-X1 je přes sériový port RS232C připojen VFD displeje Samsung 20L201DA3/5.

Obr.8 připojení externího VFD displeje Samsung 20L201DA3/5
Displej je napájen z externího zdroje +5V (odběr cca 0.5A) a k mikropočítači je připojen
jedním vodičem na signál Tx RS232C (pin 2 konektoru DB9-F).
Druhý vodič (na fotografii černý), spojuje země napájecího zdroje VFD displeje se zemí LAB-X1.
VFD displej má nastavenou rychlost 2400 baud, no parity.
Příklady programů v jazyce PICBASIC PRO
Následující program spustí na LCD displeji hodiny, které ukazují hodiny, minuty a vteřiny.
Program je zapsán v jazyce PICBASIC PRO pro mikropočítač PIC16F877.




Předchozí program byl rozšířen o zobrazování na externím VFD displeji Samsung,
model 2L201DA3/5 - viz obr. 8.





|