 |
Rotační enkodér v nejprimitivnějším provedení je mechanický, s hřídelkou. Slouží ke generování pulzů pro ovládání jednoduchých hraček a přístrojů. Typicky generuje 12 až 24 pulzů na otáčku hřídelky. Obvykle mívá také spinač, který se sepne stiskem hřídelky.


obr.1 - rotační enkodér
Rotační enkodér má dva vývody,které označujeme "A" a "B", společnou zem a dále vývody spínače. Pulzy které enkodér generuje na vývodech "A" a "B" při otáčení jsou navzájem posunuty o 90°. Při otáčení hřídelkou ve směru hodinových ručiček je signál "B" opožděn za signálem "A" právě o 90°. Při otáčení proti směru hodinových ručiček je tomu naopak, signál "B" předbíhá signál "A".


obr.2 - signály rotačního enkodéru
Ze vzájemného posunutí signálů lze vydekódovat kterým směrem se otáčí hřídelka enkodéru. Z počtu pulzů pak lze zjistit natočení hřídelky. Dekodování směru otáčení se provádí detekcí buď náběžných nebo sestupných hran impulzů, případně detekcí obou hran impulzů. Náběžná hrana impulzu je, když signál mění hodnotu z log.0 na log.1. Sestupná hrana impulzu je při změně signálu z log.1 na log,0. Detekci hran lze provádět klopnými obvody. Používají se klopné obvody typu "JK" nebo typu "D". Lze však použít také klopný obvod typu "RS". Následující obrázek (obr.3) ukazuje zapojení dekodéru s klopným obvodem "JK".


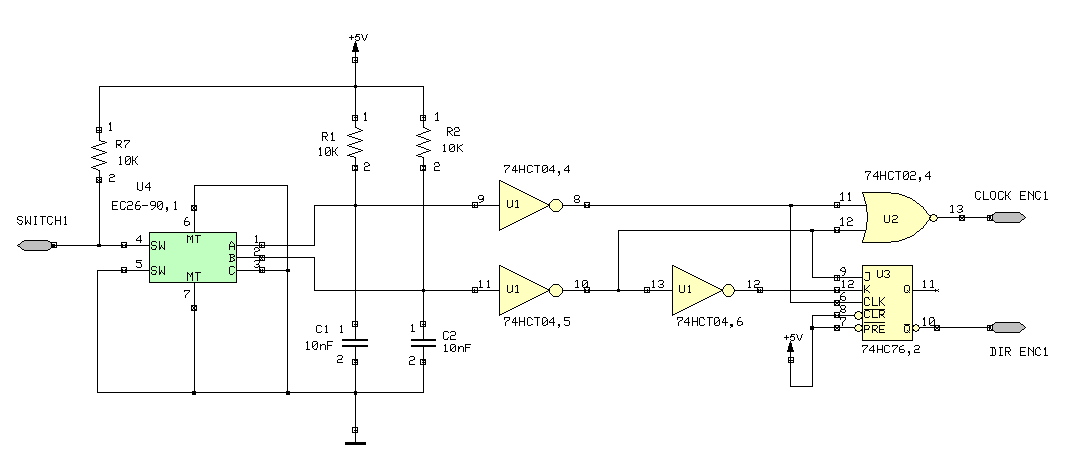
obr.3 - dekodování signálu rotačního enkodéru klopným obvodem "JK"
Rotační enkodér je ve schematu vyznačen zeleně. Má dva výstupy "A" a "B" a společnou zem "C". Vývody "SW" jsou vývody spinače. Jeden z nich je uzemněn, druhý je přes odpor přiveden na napájení. Na výstupu SWITCH1 spinače je tak trvale log.1. Při stisku spinače se stav změní na log.0.
Výstupy signálů "A" a "B" jsou ošetřeny odpory a kondenzátory, které odstraňují zákmity z mechanických spinačů v enkodéru. Tyto primitivní hřídelkové enkodéry jsou totiž s mechanickými kontakty. Podstatně kvalitnější, ale také dražší enkodéry jsou optické nebo magnetické. Ty se používají pro snímání otáček a polohy hřídele motorů.
Signály z výstupů "A" a "B" se dále vedou na vstup invertorů obvody 74HCT04, které upraví signál. Vlastní dekodér sestává až z invertoru U1(6), s vývody 12 a 13, dále z hradla "NOR" (obvod 74HCT02) a z klopného obvodu "JK" (obvod 74HCT76). Na výstupu "CLOCK ENC1" jsou pulzy odpovídající otáčení hřídelkou rotačního enkodéru. Na výstupu "DIR ENC1" je buď log. 1 nebo log. 0, která indikuje směr otáčení hřídelky rotačního enkodéru.
Další možností jak sestavit dekodér rotačního enkodéru, je použít klopný obvod "D". Jeho zapojení ukazuje následující obrázek:


obr.4 - dekodování signálu rotačního enkodéru klopným obvodem "D", obvody CMOS 4000
V tomto případě jsou vstupní invertory tvořeny hradly NAND se spojenými vstupy. Jsou použity dvě hradla z obvodu CMOS 4011. Vlastní dekodér pak tvoří dvojice klopných obvodů typu "D" z CMOS obvodu 4013 a zbylá dvě hradla z obvodu CMOS 4011. Pro doplnění, následující obrázek ukazuje stejné zapojení, pouze s použitím logiky TTL místo obvodů CMOS řady 4000:


obr.5 - dekodování signálu rotačního enkodéru klopným obvodem "D", logika TTL
Na rozdíl od dekodéru s klopným obvodem "JK", tento dekodér neudává směr, ale dává dva nezávislé výstupy pulzů pro otáčení jedním nebo druhým směrem. Ve schematu jsou označeny jako "CLOCK UP" (nahoru) a "CLOCK DOWN" (dolů).
Oba uvedené dekodéry jsou označovány jako "X1". To znamená, že na jeden pulz rotačního enkodéru na vstupu dávají jeden pulz na výstupu enkodéru. Liší jen tím, že v případě použití klopného obvodu "JK" máme výstup udávající směr a druhý výstup s pulzy. Při použití klopného obvodu "D" máme dva výstupy s pulzy, jeden ve směru "nahoru" a druhý "dolů". Který z enkodérů použijeme, záleží na dalším zpracování pulzů. Obvykle se pulzy přivádějí do synchronních obousměrných čítačů. Existují synchronní čítače, které mají vstup "CLOCK" pro signál a vstup "U/D" který určuje směr čítání. V tom případě použijeme dekodér s klopným obvodem "JK". Existují synchronní čítače s oddělenými vstupy pro čítání nahoru a pro čítání dolů. V tom případě použijeme dekodér s klopným obvodem "D".
pokračování příště
|